
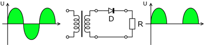
Однополупериодный выпрямитель: график напряжения по времени до выпрямления — одна из возможных схем выпрямителя — и график напряжения по времени после выпрямления
Простейшая схема однополупериодного выпрямителя состоит только из одного выпрямляющего ток элемента (диода). На выходе — пульсирующий постоянный ток. На промышленных частотах (50—60 Гц) не имеет широкого применения, так как для питания аппаратуры требуются сглаживающие фильтры с большими величинами емкости и индуктивности, что приводит к увеличению габаритно-весовых характеристик выпрямителя. Однако схема однополупериодного выпрямления нашла очень широкое распространение в импульсных блоках питания с частотой переменного напряжения свыше 10 кГц, широко применяющихся в современной бытовой и промышленной аппаратуре. Объясняется это тем, что при более высоких частотах пульсаций выпрямленного напряжения, для получения требуемых характеристик (заданного или допустимого коэффициента пульсаций), необходимы сглаживающие элементы с меньшими значениями емкости (индуктивности). Вес и размеры источников питания уменьшаются с повышением частоты входного переменного напряжения
Основными параметрами, характеризующими качество работы выпрямителя, являются:
- средние значения выпрямленного (выходного) напряжения Uср и тока Iср,
- частота пульсаций fп выходного напряжения (тока),
- коэффициент пульсаций р, равный отношению амплитуды напряжения пульсаций к среднему значению выходного напряжения. Вместо коэффициента пульсаций р часто используют коэффициент пульсаций по первой гармонике равный отношению амплитуды первой гармоники выходного напряжения к его среднему значению,
- внешняя характеристика - зависимость среднего значения выпрямленного напряжения от среднего значения выпрямленного тока,
- к. п. д. η = Pполезн / Pпотр = Pполезн / (полезн + Ртр + Рвг + Рф), где Ртр, Рвг, Рф - мощность потреь в трансформаторе, в вентильной группе и сглаживающем фильтре.
